云南德控电气设备,昆明高低压开关柜,云南配电柜,昆明箱式变电站,云南开关柜,昆明高低压配电箱,配电设备,云南箱式变电站,云南德力西
产品展示
联系我们
关注德控
云南德控电气设备有限公司
守护用电安全,创造生活之美
低压电器领军企业
业务咨询热线
13529296115
网站首页
关于我们
产品展示
工程案例
荣誉资质
新闻资讯
联系我们
产品分类
产品展示
领航者系列
登峰产品系列
新纪元系列
全新6系列
终端电器
微型断路器
漏电保护器
过欠压保护器
浪涌
配电箱
隔离开关
插座
自动控制装置
熔断器
配电电器
万能式断路器(ACB)
自动转换开关电器(ATS)
塑料外壳式断路器(MCCB)
电子式塑料外壳式断路器
热磁式塑料外壳式断路器
漏电保护塑料外壳式断路器
塑料外壳式直流断路器
隔离开关|隔离器
熔断器(FU)
工业控制类产品
电动机控制与保护
通用型接触器
特殊用途接触器
热过载继电器
接触器式继电器
电动机控制与保护开关
电动机断路器
电磁起动器
电动机保护器
电动机起动器
电动机控制器
小型电磁继电器
工业设备及开关
按钮及指示灯
限位开关
凸轮(万转)开关
接线端子
感应开关
动力开关
电阻器
电流、电压变送器
变频器
继电器系列
时控开关
固态继电器
时间继电器
计数器|累时器
电流继电器
液位继电器
断相、相序保护继电器
正反转控制器
经纬度时控开关
路灯自动控制开关
电能管理及维护
电能管理系统
电能表系列
电测量仪表系列
鉴相鉴幅漏电继电器
互感器系列
电容器系列
功率补偿器件
电抗器系列
电源类产品
稳压器系列
调压器系列
逆变电源系列
充电机系列
通用开关电源系列
UPS 不间断电源系列
EPS 消防应急电源系列
变压器系列
电气辅材
电气材料
接线端子/端子排
电线电缆
扎带/固定类
线槽/线管/线缆保护
线缆及电气标识
导轨
绝缘材料
电工胶带
手工具
测量类工具
电子电工类工具
工具套装/箱包类
绝缘类工具
紧固类工具
夹持类工具
机工类工具
高压开关柜
环网柜、充气柜系列
箱式变电站
高压无功补偿柜
高压电缆分支箱
低压开关柜
电缆桥架箱柜
红手柄微断
户外高压真空断路器系列
户内高压真空断路器系列
微机控制直流屏
高压负荷开关系列
高压隔离开关系列
首页
>>
产品展示
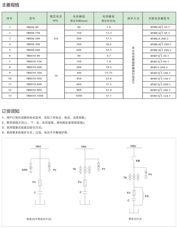
TBBX高压无功就地补偿装置
详细说明
上一条:
TBBZ高压无功自动补偿装置
下一条:
TBBWZ高压线路(柱上)自动补偿装置
昆明高低压开关柜_云南配电柜_昆明箱式变电站_云南开关柜_昆明高低压配电箱_配电设备_云南德力西_云南德控电气设备有限公司 版权所有
滇ICP备2022005259号-1
关闭返回